Sign In | Join Free | My chinalane.org
China XIAN XIWUER ELECTRONIC AND INFO. CO., LTD logo
XIAN XIWUER ELECTRONIC AND INFO. CO., LTD
OUTSTANDING QUALITY, EXCELLENT SERVICE.
Verified Supplier

4 Years

Home > Surge Protective Device >

Switch type AC surge protector device 440V FD11-440/50B-3P class 1 liightning protection

XIAN XIWUER ELECTRONIC AND INFO. CO., LTD
Trust Seal
Verified Supplier
Credit Check
Supplier Assessment
Contact Now

Switch type AC surge protector device 440V FD11-440/50B-3P class 1 liightning protection

Brand Name : Qing Zhu

Model Number : MYS5 385V AC 1P+N-PE

Certification : UL,TUV,CCC,ROHS

Place of Origin : XIAN,CHINA

MOQ : 1 unit

Price : USD, Negotiable, unit

Payment Terms : L/C, T/T

Supply Ability : 4,000,000 units/year

Delivery Time : 5-7 days

Packaging Details : Carton

Structure : Zinc Oxide Arrester

Uc : 440V

Poles : 1P+N-PE

Method of Installation : 35mm Din Rail

Working temperature : –40℃ ~+80℃

Indication Method : Visible window,Green=normal, Red=fault

Contact Now

Switch-type I grade AC surge protector FD11-440/50B-3P
FD11-440/50B-3P, mainly used in the class 1 lightning protection for low-voltage power supply and distribution systems. It is designed for electrical equipment protection and to discharge, suppress and reduce operational overvoltage caused by lightning strikes or the power grid system. With large impulse discharge current, low camping voltage, no arc leakage and strong interrupting freewheeling current, it is suitable for TN-C grid system.
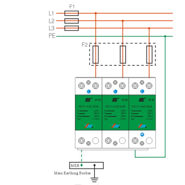
Installation Fig.
Switch type AC surge protector device 440V FD11-440/50B-3P class 1 liightning protection

Features

  • Module design, easy to install, and change change module no need power off.
  • Inside over-current, over-heat, temperature control open circuit.
  • Fast response time, low residual voltage.
  • Window color indicates working condition, green means normal, red means fault.
  • Max discharge current can endure 40KA(8/20). Installation position On the joint of LPZ1 or LPZ2 and LPZ3 usually installed in household distribution boards, computer equipment,information equipment,electronic equipment and in the socket box in front of control equipment or near the control equipment.
Application

MYS5 385V AC 1P+N-PE surge protective device(SPD) is suitable for 380V AC 50/60HZ TN-S, TN-C-S, TT, IT etc. Power supply system. Normally installed on the joint of LPZ1 or LPZ2 and LPZ3, designed accordingly to IEC61643-1, GB18802.1 standard. It's standard 35mm din rail installation. There is failure release mounted on the module of surge protective device. When SPD fails in breakdown for over-heat or over-current, the failure release will help electric device separate from the power supply system and give the indication signal. Green means normal, red means fault.

Technical Parameters

Model No.

FD11-440/50B-3P
Combination
3P
IEC grade/VDE
Ⅰ+Ⅱ
Un
400V
Uc
440V
Response Time tA ≤25ns
Indication Method Visible window,Green=normal, Red=fault
Min. sectional area of incoming wire L/N 4mm2
Min. sectional area of incoming ground wire PE 6mm2
Method of Installation 35mm Din Rail
Material of shell PBT

Remote contact

C+NC means normally closed

C+NO means normally open

C means normal contact

Protection level of outer Shell IP20
Working temperature –40℃ ~+80℃

COMPANY OVERVIEW

Xian Xiwuer Electronic and Info. Co., Ltd is a wholly state-owned company with a registered capital of CNY 101.465 million (exchanged to USD15.85 million), owning total assets of CNY315 million (traded to USD 49.22 million). It was established in 1976. Currently, it has about 460 employees, with an annual sales income of CN280 million (exchanged to USD43.75 million). The company has four production and business bases covering an area of 43052 square meters, and a construction area of more than 50000 square meters. The company has 8 persons with master's degrees, more than 80 engineers with senior technical titles 12 technicians who have been awarded Experts with Outstanding Contributions by the Xian municipal government, and 1 expert who has been enjoying a special allowance from the State Council.

The main products include

l Smart Embedded Epoxy Pole;

l Integrated Instrument Transformer

l Capacitive Voltage Divider

l Rogowski Coil

l High Voltage Capacitor Rod;

l High Voltage Film Capacitor;

l High Voltage Resistor;

l Primary and Secondary Integrated Intelligent assembly and components with the function of

l voltage measurement, current measurement, protection, temperature monitoring, and power supply;

l Medium-High Voltage components/parts/ assembly;

l Surge Protective Device for Power Supply System;

l Chips for lightening devices;

l Zinc Oxide Varistor;Thermistor.

Major Customers: ABB, Schneider, GE, ZTE, XD Electric, XJ Electric, PingGao Electric and etc.

The company has the provincial Technical R&D Center. The company has developing and manufacturing experiences of the key products HV Ceramic Capacitor, SPD, Varistor, Thermistor and for nearly 20 years. There have been 32 patented technology, 4 invention patents, and 4 national key new products. The company is in the leading position in the same industry. The company has grown very fast with a unique management system which is the fundamental guarantee to the continuous development of the enterprise under the state-owned system. In Northwest China, the company is the first to implement ISO 9001 standards and the first to promote the use of ERP management systems, having achieved ISO9001, ISO14001, and ISO45001 approval, thus standardizing and improving the management level of the company.

Through continuous technological innovation, product R&D, and quality improvement the main technical performance and reliability of the products are at the internationally advanced level as the same level with Panasonic and Siemens. The products have got UL, VDE, TUV, CAS, CE, CQC, RoHS, and REACH Certification. The company has advanced production equipment among which the key production equipment and modern assembly lines are imported from Japan, the U.S.A, Germany, Korea, and Belgium including 26m large sintering tunnel furnaces8 automatic assembly lines, the largest energy impulse current generator and a series of special test equipment and environmental test equipment. In the same industry in China, the company has the largest production capacity, the highest degree of automation with the most complete testing methods. The company has two routine test laboratories with the most advanced lightning testing equipment and environmental testing equipment which comply with national standards for laboratory construction. They are the significant laboratories supported by Shaanxi Province with professional testing technicians undertaking part of the supervision and inspection of electronic products in Shaanxi Province at the same time.

We believe we are able to supply satisfied goods and services to customers at home and abroad with the most reasonable price and the shortest delivery time. on the bases of our excellent quality assurance capacity, technical development capacity, and rich manufacturing experiences.

CERTIFICATE

Switch type AC surge protector device 440V FD11-440/50B-3P class 1 liightning protectionSwitch type AC surge protector device 440V FD11-440/50B-3P class 1 liightning protectionSwitch type AC surge protector device 440V FD11-440/50B-3P class 1 liightning protection


Product Tags:

Zinc Oxide Arrester AC Surge Protector

      

Low Voltage Surge Protective Device

      

FD11 AC System Surge Protector

      
Wholesale Switch type AC surge protector device 440V FD11-440/50B-3P class 1 liightning protection from china suppliers

Switch type AC surge protector device 440V FD11-440/50B-3P class 1 liightning protection Images

Inquiry Cart 0
Send your message to this supplier
 
*From:
*To: XIAN XIWUER ELECTRONIC AND INFO. CO., LTD
*Subject:
*Message:
Characters Remaining: (0/3000)